Altium Designer | Software para integridade de sinal
O SI Analyzer, extensão do Altium Designer, permite validar a integridade de sinais em PCBs de alta velocidade diretamente no ambiente de design. Ele ajuda a detectar problemas como impedância, perda e reflexões, garantindo sinais mais confiáveis antes da fabricação.

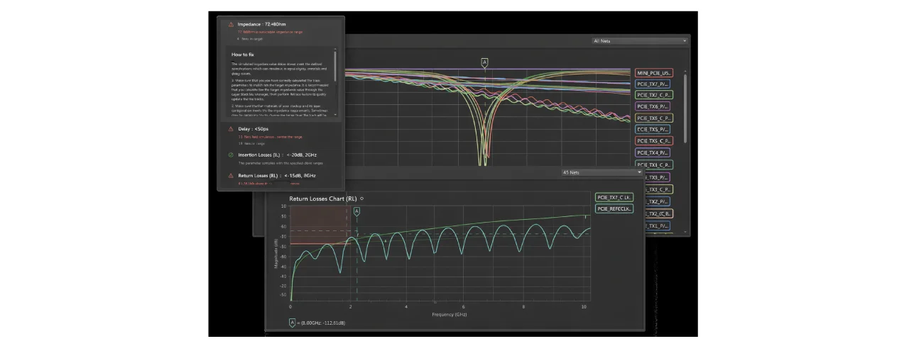
Análise, checagem de parâmetros e visualização

Análise de sinal integrada ao design
Permite executar verificações de integridade de sinal diretamente no Altium Designer sem exportar para ferramentas externas, agilizando o processo e evitando perda de dados
Checagem completa de parâmetros críticos
Analisa parâmetros essenciais como impedância, atraso, perdas de inserção e de retorno, ajudando a garantir que os sinais atendam às especificações do projeto.
Visualização clara dos resultados
Os resultados são apresentados com indicações visuais, como por exemplo cores para conformidade/violação. Isso facilita a interpretação e a tomada de decisão rápida no layout.
Por que escolher o SI Analyzer?
Conectando soluções para o seu segmento
Descubra como a SKA lidera a revolução digital com tecnologias avançadas da engenharia ao chão de fábrica



